-
-
噴涂機專用柱塞泵
產品型號:噴涂機專用柱塞泵
產品型號:
噴涂機專用柱塞泵新式斜板通軸結構,大型補償活塞。底部有安裝孔可與油箱面板固定,溢流閥可選軸向,也可選與泵成90度朝向,方便壓力調節。廣泛應用于馬路噴涂機,膩子灰噴涂機等噴涂機械,壓力穩定。
- 產品介紹
- 規格參數
噴涂機專用柱塞泵型號說明
P 08 -A 1 -F -R - 01 型號說明 排量 控制功能方式 調壓范圍 安裝方式 旋轉方向
(從軸側看)溢流閥朝向 設計
號碼噴涂機
專用柱塞泵見規格表 A(標準型)
B、C、D、E、HL0:1-4MPa
1:2-7MPa
2:3-14MPa
3:3-21MPa
4:3-28MPaF:法蘭式
L:腳座式R:順時針方向
L:逆時針方向無標記:軸向
P90:90度10 噴涂機專用柱塞泵規格表
型 號 幾何排量
m?/rev無負荷流量(?/min) 調壓范圍
MPa(kgf/cm2)最大壓力
MPa(kgf/cm2)轉速 rpm 重量
(kg)1000rpm 1200rpm 1500rpm 1800rpm 最大 最小 P08-A0-** 8.0 8.0 9.6 12.0 14.4 2~4 (20~40) 25(255) 2000 500 9 P08-A1-** 2~7 (20~73) P08-A2-** 3~14 (30~145) P08-A3-** 3~21 (30~215) P10-A0-** 10.0 10.0 12.0 15.0 18.0 2~4 (20~40) 25(255) 2000 500 9 P10-A1-** 2~7 (20~73) P10-A2-** 3~14 (30~145) P10-A3-** 3~21 (30~215) 噴涂機專用柱塞泵控制功能方式
噴涂機專用柱塞泵控制功能方式
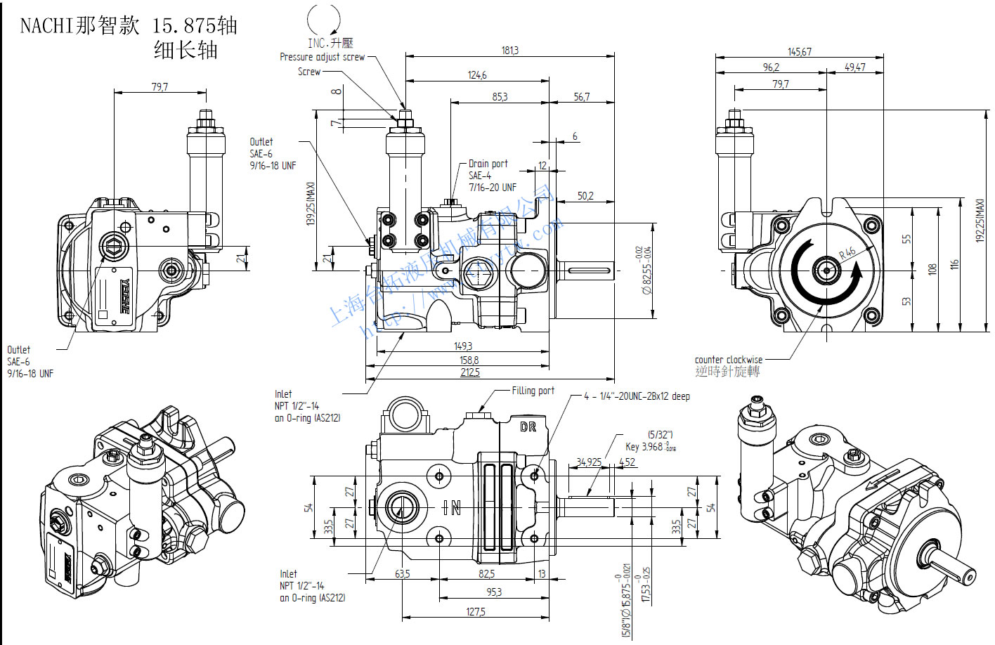
噴涂機專用柱塞泵P08尺寸圖
臺灣標準款 19.05標準軸尺寸圖下載 NACHI那智款 19.05標準軸尺寸圖下載
NACHI那智款 19.05標準軸尺寸圖下載
